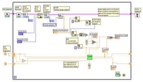
Esther Hedley Blog